Página Principal Contenido del Curso Guías de Estudio Problemario LA CLAVAZÓN TAREAS!!! Enlaces a otras páginas

Problemas de Realimentación:

Ir a pag.:  Indice   [1]  [2]   [3]

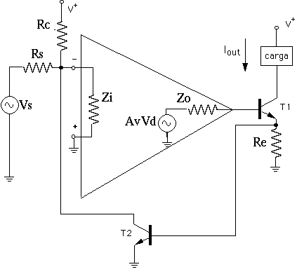
1- En los siguientes circuitos asuma que las características del op-amp son: Zi=50 k, Av=500, y Zo=1 k. Además, Rs=1 k, =100, r=1 k. Determinar en cada circuito: el tipo de realimentación, los parámetros de la red real, la gancia y las impedancias: Zif , Zi, Z0f , Z0
a) Con R=10 k, ¿Cuánto vale Iout/Vs?
b) Con Re=Rc= 10 k, ¿Cuánto vale Iout/Vs?
Ir a pag.:  Indice   [1]  [2]   [3]